产品详情

  • GPS Glonass北斗GNSS天线磁性底座安装 RTK高精度测量型 BT-M90SD

GPS Glonass北斗GNSS天线磁性底座安装 RTK高精度测量型 BT-M90SD

品牌:Beitian

  • 深圳市北天通讯有限公司

    普通商家
  • 经营模式:零部件制造商 其他 
  • 地区:中国广东省深圳市
  • 地址:深圳市龙华区福城街道福民社区狮径路15号福城数字创新园5期1栋8、9层

产品详情

产品参数

产品图片

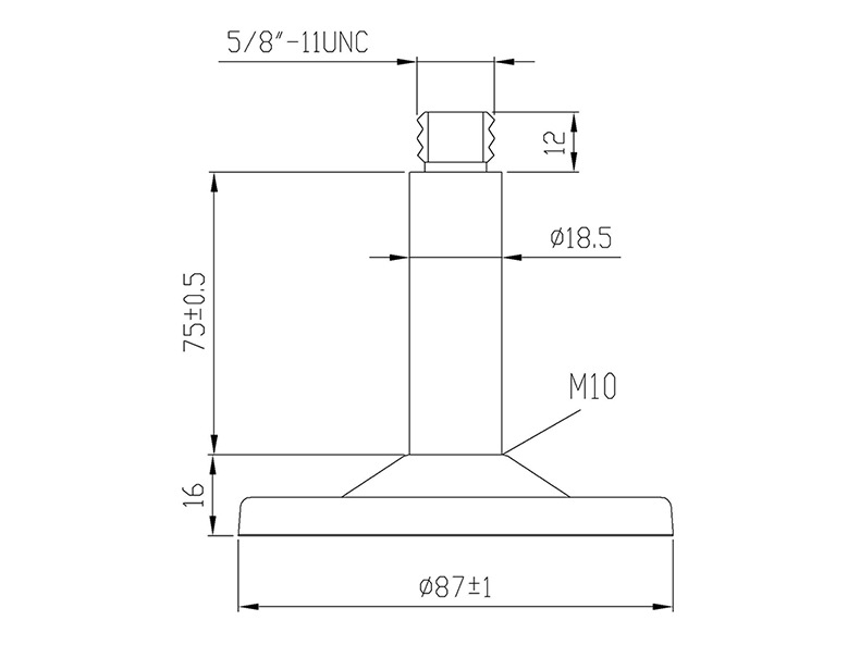
产品型号:M90SD

底座尺寸:Φ90mm×3.5mm
含支柱底座尺寸:Φ90mm×123mm
螺纹尺寸:5/8“-11UNC
重量:0.85公斤
金属底座底部有一个巨大的永久磁铁,可以牢固地附着在铁物体上。固定非常牢固。

 


产品详情图:















  分享到:

取消