公司产品
转载 2025-10-17 10:30 林巴赫航空发动机
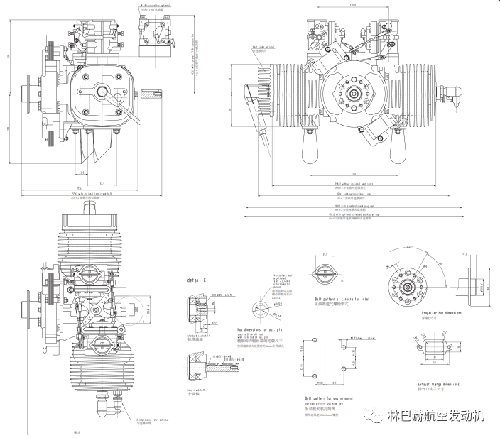
林巴赫DL130E-8.6kW(11.7HP)
两缸水平对置,风冷,二冲程,CDI霍尔高压点火,混合气润滑,适合推式和拉式装置
功率:8.6kW(11.7HP)/6800rpm
缸径:47mm/1.85inch
行程:37.5mm/1.48inch
排量:130cm3/7.94in3
曲轴箱:铝铸造
曲轴:锻造,五件组合体
活塞:椭圆型磨削,铝合金铸造
缸体:铝合金铸造,内壁镍硅硬化镀层
点火系统:CDI霍尔高压点火
点火次序:对置两缸同步点火
化油器:一个薄膜式全方位化油器,可选阻风门
启动器:可选件
发电机:可选件
净重量(约):3.0kg(不含发电机)
燃油:92号无醇汽油1:40二冲程全合成滑油
选件:启动器(28V,0.4kW)、发电机(28V,0.4kW)
林巴赫DL275E-16KW(22HP)
双缸水平对置,风冷,二冲程,固态磁电机点火,混合气润滑,适合推式和拉式安装
功率:16 kW(22 HP)/7200 rpm
缸径:66mm/2.60 inch
行程:40 mm/1.57 inch
排量:274 cm3/16.72 in3
曲轴箱:铝铸造
曲轴:一体化锻造,两个连杆带滚针轴承
缸体:铝合金铸造,内壁镍硅硬化镀层
点火系统:固态磁电机点火
点火次序:两缸同步点火
化油器:两个薄膜式全方位化油器,不带阻风门
启动器:选件
发电机:无
重量:7.8 kg(附带磁电机)
燃油:92号(无铅)汽油或100LL航空汽油混合50:1二冲程全合成滑油
选件:排气接管
启动器(24 V,0.5 KW)
发电机(28 V,1.2 KW)
林巴赫DL275EF-18 kW(25 HP)
双缸水平对置,风冷,二冲程,燃油电喷系统,混合气润滑,适合推式和拉式安装
功率:18 kW(25 HP)/7200 rpm
扭矩:25 Nm/4000-6000 rpm
缸径:66mm/2.60 inch
行程:40 mm/1.57 inch
排量:274 cm3/16.72 in3
重量:7 kg
曲轴箱:铝铸造
曲轴:一体化锻造,两个连杆带滚针轴承
活塞:铝合金铸造
缸体:铝铸造,内壁镍硅硬化镀层
点火系统/喷油正时:可变(ECU控制)
发动机控制系统:12 V,电脑控制
高空自动补偿:ECU自动控制
燃油:92号(无铅)汽油
混合50:1二冲程全合成滑油
选件:启动器(12 V,0.4 KW,2.3 kg)
发电机(14V,95A,5.2kg)
发电机(28 V,45A,5.2 kg含变压器)
林巴赫DL550E-37 kW(50 HP)
四缸水平对置,风冷,二冲程,固态磁电机点火,混合气润滑,适合推式和拉式安装
功率:37 kW(50 HP)/7500 rpm
缸径:66mm/2.60 inch
行程:40 mm/1.57 inch
排量:548 cm3/33.44 in3
曲轴箱:铝铸造
曲轴:一体化锻造,七件组合体
缸体:铝合金铸造,内壁镍硅硬化镀层
点火系统:固态磁电机点火
点火次序:对置两缸同步点火,间隔180度
化油器:四个薄膜式全方位化油器,不带阻风门
启动器:可选件
发电机:无
重量:18.3 kg(附带磁电机)
燃油:92号(无铅)汽油
混合50:1二冲程全合成滑油
选件:排气接管
启动器(24 V,0.5 KW)
发电机(28 V,1.2 KW)
林巴赫DL550EF-37 kW(50 HP)
四缸水平对置,风冷,二冲程,燃油电喷系统,混合气润滑,适合推式和拉式安装
功率:37 kW(50 HP)/7500 rpm
缸径:66mm/2.60 inch
行程:40 mm/1.57 inch
排量:548 cm3/33.44 in3
重量:15 kg
曲轴箱:铝铸造
曲轴:锻造,七件组合体
活塞:铝合金铸造
缸体:铝铸造,内壁镍硅硬化镀层
点火系统/喷油正时:可变(ECU控制)
发动机控制系统:12 V,电脑控制
高海拔补偿:通过ECU自动控制
燃油:92号(无铅)汽油
混合50:1二冲程全合成滑油
选件:启动器(12V)
发电机(14V,95A,5.2kg)
发电机(28V,45A,含变压器重5.2kg)
林巴赫DL900E-51KW(70HP)
四缸水平对置,风冷,二冲程,固态磁电机点火,混合气润滑,适合推式和拉式装置
功率:51kW(70HP)/7500(r/min)
缸径:76mm/2.99inch
行程:50mm/1.97inch
排量:907cm3/55.34in3
曲轴箱:铝铸造
曲轴:锻造,七件组合体
活塞:椭圆型磨削,铝合金铸造
缸体:铝合金铸造,内壁镍硅硬化镀层
点火系统:固态磁电机点火
点火次序:对置两缸同步点火,间隔180度
化油器:四个薄膜式全方位化油器,不带阻风门
启动器:可选件
发电机:无
净重量(约):24kg
燃油:95号(无铅)汽油或100LL航空汽油,1:50二冲程全合成滑油
选件:排气接管、启动器(24V,0.5kW)、发电机(28V,1.2kW)
林巴赫DL900EF-51KW(70HP)
四缸水平对置,风冷,二冲程,电喷系统,混合润滑,适合推式和拉式装置
功率:51kW(70HP)/7500(r/min)
缸径:76mm/2.99inch
行程:50mm/1.97inch
排量:907cm3/55.34in3
曲轴箱:铝铸造
曲轴:锻造,七件组合体
活塞:椭圆型磨削,铝合金铸造
缸体:铝合金铸造,内壁镍硅硬层
发动机控制系统:24V电脑控制
点火系统/喷油正时:可变(ECU控制)
高空自动补偿:ECU自动控制
重量:24KG
燃油:95号(无铅)汽油或100LL航空汽油,1:50二冲程全合成滑油
选件:排气接管启动器(24V,1.0kW) 发电机(28V,1.2kW)
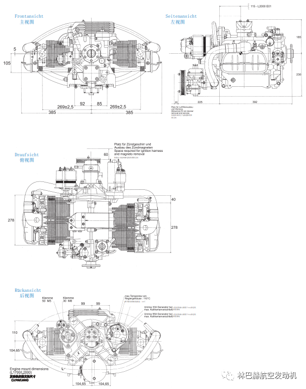
林巴赫DL1700 EOEC-50 kW(68 HP)
四缸水平对置发动机,四冲程,风冷,单磁电机点火,湿式油底壳压力润滑
最大功率:50 kW(68 HP)/3400 rpm
持续功率:44 kW(60 HP)/3000 rpm
缸径:88mm/3.46 inch
行程:69 mm/2.71 inch
排量:1680 cm3/102.52 in3
压缩比:8:1
磁电机:LIMBACH Slick 4330
火花塞:LIMBACH LB-N41.0
电极间隙:0.5 mm
点火次序:1-3-2-4
点火提前角:30°
化油器:Zenith 150 CD-3
燃油:97号(无铅)汽油或100 LL航空汽油
机械式燃油泵:APG-LIMBACH
启动器:12 V-1.1 kW
发电机:14 V-28 A
机油压力:在2500 rpm下最大0.4 MPa,最小0.1 MPa
机油温度:最高120°C,最低50°C
机油容量:2.5 L
缸头温度:最高250℃
转速计:机械式
螺旋桨驱动:直驱,顺时针转动(面对螺旋桨)
螺旋桨桨毂:DL1700 EO1/EC1为可变螺距,DL1700 EO2/EC2为固定螺距
重量:73kg
燃油消耗量:大约10 L/h
LBA认证号:4582(JAR 22-H)
林巴赫DL1700EA-44 kW(60 HP)
四缸水平对置发动机,四冲程,风冷,单磁电机点火,湿式油底壳压力润滑
最大功率:44 kW(60 HP)/3600 rpm
持续功率:41 kW(56 HP)/3600 rpm
缸径:88mm/3.46 inch
行程:69 mm/2.71 inch
排量:1680 cm3/102.52 in3
压缩比:8:1
磁电机:LIMBACH Slick 4330
火花塞:LIMBACH LB-N41.0
电极间隙:0.5 mm
点火次序:1-3-2-4
点火提前角:30°
化油器:Zenith 150 CD-3
燃油:97号(无铅)汽油或100 LL航空汽油
机械式燃油泵:APG-LIMBACH
启动器:12 V-1.1 kW
发电机:14 V-28 A
机油压力:在2500 rpm下最大0.4 MPa,最小0.1 MPa
机油温度:最高120°C,最低50°C
机油容量:2.5 L
缸头温度:最高250℃
转速计:机械式
螺旋桨驱动:直驱,顺时针转动(面对螺旋桨)
螺旋桨桨毂:DL1700 EA1为可变螺距,DL1700 EA2为固定螺距
重量:73kg(铸铁气缸)
69 kg(铝制气缸)
燃油消耗量:大约10 L/h
LBA认证号:4582(JAR 22-H)
林巴赫DL2000EA-59 kW(80 HP)
四缸水平对置发动机,四冲程,风冷,单磁机点火,湿式油底壳压力润滑
最大功率:59 kW(80 HP)/3400 rpm
持续功率:51 kW(70 HP)/3000 rpm
缸径:90mm/3.54 inch
行程:78.4 mm/3.09 inch
排量:1994 cm3/121.68 in3
压缩比:8.6:1
磁电机:LIMBACH Slick 4330
火花塞:LIMBACH LB-N41.0
电极间隙:0.5 mm
点火次序:1-3-2-4
点火提前角:30°
化油器:Zenith 150 CD-3
燃油:97号(无铅)汽油或100 LL航空汽油
机械式燃油泵:APG-LIMBACH
启动器:12 V-1.1 kW
发电机:14 V-28 A
机油压力:在2500 rpm下最大0.4 MPa,最小0.1 MPa
机油温度:最高120°C,最低50°C
机油容量:2.5 L
缸头温度:最高250℃
转速计:机械式
螺旋桨驱动:直驱,顺时针转动(面对螺旋桨)
螺旋桨桨毂:DL2000 EA1为可变螺距,DL2000 EA2为固定螺距
重量:69kg(铝制汽缸)
燃油消耗量:大约10 L/h
LBA认证号:4597(JAR 22-H)
林巴赫DL2000EB-59 kW(80 HP)
四缸水平对置发动机,四冲程,风冷,单磁电机点火,湿式油底壳压力润滑
最大功率:59 kW(80 HP)/3200 rpm
持续功率:51 kW(70 HP)/3000 rpm
缸径:90mm/3.54 inch
行程:78.4 mm/3.09 inch
排量:1994 cm3/121.68 in3
压缩比:8.4:1
磁电机:LIMBACH Slick 4330
火花塞:LIMBACH LB-N41.0
电极间隙:0.5 mm
点火次序:1-3-2-4
点火提前角:30°
化油器:Zenith 150 CD-3
燃油:97号(无铅)汽油或100 LL航空汽油
机械式燃油泵:APG-LIMBACH
启动器:12 V-1.1 kW
发电机:14 V-33 A或14 V-55 A
机油压力:在2500 rpm下最大0.7 MPa,最小0.1 MPa
机油温度:最高120°C,最低50°C
机油容量:3.5 L
缸头温度:最高250℃
转速计:机械式
螺旋桨驱动:直驱,顺时针转动(面对螺旋桨)
螺旋桨桨毂:DL2000 EB1为可变螺距
重量:76.5kg
燃油消耗量:大约12 L/h
LBA认证号:4597(JAR 22-H)
林巴赫DL2000EO/EC-59 kW(80 HP)
四缸水平对置发动机,四冲程,风冷,单磁电机点火,湿式油底壳压力润滑
最大功率:59 kW(80 HP)/3400 rpm
持续功率:51 kW(70 HP)/3000 rpm
缸径:90mm/3.54 inch
行程:78.4 mm/3.09 inch
排量:1994 cm3/121.68 in3
压缩比:8.4:1
磁电机:LIMBACH Slick 4330
火花塞:LIMBACH LB-N41.0
电极间隙:0.5 mm
点火次序:1-3-2-4
点火提前角:30°
化油器:Zenith 150 CD-3
燃油:97号(无铅)汽油或100 LL航空汽油
机械式燃油泵:APG-LIMBACH
启动器:12 V-1.1 kW
发电机:14 V-33 A/14 V-55 A
机油压力:在2500 rpm下最大0.4 MPa,最小0.1 MPa
机油温度:最高120°C,最低50°C
机油容量:2.5 L
缸头温度:最高250℃
转速计:机械式
螺旋桨驱动:直驱,顺时针转动(面对螺旋桨)
螺旋桨桨毂:DL2000 EO1/EC1为可变螺距,DL2000 EO2/EC2为固定螺距
重量:74kg
燃油消耗量:大约12 L/h
LBA认证号:4597(JAR 22-H)
林巴赫DL2400DF/EF-74 kW(100 HP)
四缸水平对置发动机,四冲程,液冷缸头,燃油电喷和双重(DF仅有)点火系统,自动高海拔补偿、湿式油底壳压力润滑
最大功率:74 kW(100 HP)/3000 rpm
缸径:97mm/3.82 inch
行程:82 mm/3.23 inch
排量:2424 cm3/147.91 in3
压缩比:9.5:1
点火系统:ECU自动控制
火花塞:NGK DCPR 7E
电机间隙:0.7 mm
点火次序:1-3-2-4
点火正时:通过ECU自动控制
喷油器:4 X Weber
燃油:97号(无铅)汽油或100LL航空汽油
燃油泵:2 X电动燃油泵,油压0.25 MPa
磁电启动器:12V-1.0kW
发电机:14 V-33 A/14 V-55 A
机油压力:在2500 rpm下最大0.7 MPa,最小0.1 MPa
机油温度:最高120°C,最低50°C
机油容量:3.5 L
冷却液温度:最高110℃
冷却液量:3 L
转速计驱动:电信号
螺旋桨驱动:直驱,顺时针转动(面对螺旋桨)
螺旋桨桨毂:适用可变螺距螺旋桨
重量:76 kg(含附件)
燃油:98号(无铅)汽油或100LL航空汽油
燃油消耗量:节气门全开 265 g/kWh
节气门半开245g/kWh
LBA认证号:No.4607(JAR22-H)
林巴赫DL2400EB-64 kW(87 HP)
四缸水平对置发动机,四冲程,风冷,单磁电机点火,湿式油底壳压力润滑
最大功率:64 kW(87 HP)/3400 rpm
持续功率:62 kW(84.5 HP)/3000 rpm
缸径:97mm/3.82 inch
行程:82 mm/3.23 inch
排量:2424 cm3/147.91 in3
压缩比:8.5:1
磁电机:LIMBACH Slick 4330
火花塞:LIMBACH LB-N41.0
电极间隙:0.5 mm
点火次序:1-3-2-4
点火提前角:30°
化油器:Zenith 150 CD-3
燃油:97号(无铅)汽油或100 LL航空汽油
机械式燃油泵:APG-LIMBACH
启动器:12 V-1.1 kW
发电机:14 V-33 A或14 V-55 A
机油压力:在2500 rpm下最大0.7 MPa,最小0.1 MPa
机油温度:最高120°C,最低50°C
机油容量:3.5 L
缸头温度:最高250℃
转速计:机械式
螺旋桨驱动:直驱,顺时针转动(面对螺旋桨)
螺旋桨桨毂:DL2400 EB1为可变螺距
重量:82kg
燃油消耗量:大约14 L/h
LBA认证号:4607(JAR 22-H)
林巴赫DL2400DT/ET-96 kW(130 HP)
四缸水平对置发动机,四冲程,液冷缸头,燃油电喷和双重(DT仅有)点火系统,自动高海拔补偿、湿式油底壳压力润滑
最大功率:96 kW(130 HP)/3000 rpm
缸径:97mm/3.82 inch
行程:82 mm/3.23 inch
排量:2424 cm3/147.91 in3
压缩比:8:1
点火系统:ECU自动控制
火花塞:NGK DCPR 7E
电机间隙:0.7 mm
点火次序:1-3-2-4
点火正时:通过ECU自动控制
喷油器:4 X Weber
燃油:97号(无铅)汽油或100LL航空汽油
燃油泵:2 X电动燃油泵,油压0.25 MPa
磁电启动器:12V-1.0kW
发电机:14 V-33 A/14 V-55 A
机油压力:在2500 rpm下最大0.7 MPa,最小0.1 MPa
机油温度:最高120°C,最低50°C
机油容量:3.5 L
冷却液温度:最高110℃
冷却液量:3 L
转速计驱动:电信号
螺旋桨驱动:直驱,顺时针转动(面对螺旋桨)
螺旋桨桨毂:适用可变螺距螺旋桨
重量:86 kg(含附件)
燃油消耗量:节气门全开 255 g/kWh
节气门半开240g/kWh
EASA认证号:E.084(JAR22-H)
林巴赫DL2400DX-118 kW(160 HP)
四缸水平对置发动机,四冲程,液冷缸头,燃油电喷和双重(DF仅有)点火系统,自动高海拔补偿、湿式油底壳压力润滑
最大功率:118 kW(160 HP)/3000 rpm
缸径:97mm/3.82 inch
行程:82 mm/3.23 inch
排量:2424 cm3/147.91 in3
压缩比:8:1
点火系统:ECU自动控制
火花塞:NGK DCPR 7E
电机间隙:0.7 mm
点火次序:1-3-2-4
点火正时:通过ECU自动控制
喷油器:4 X Weber
燃油:97号(无铅)汽油或100LL航空汽油
燃油泵:2 X电动燃油泵,油压0.25 MPa
磁电启动器:12V-1.0kW
发电机:14 V-33 A/14 V-55 A
机油压力:在2500 rpm下最大0.7 MPa,最小0.1 MPa
机油温度:最高120°C,最低50°C
机油容量:3.5 L
冷却液温度:最高110℃
冷却液量:3 L
转速计驱动:电信号
螺旋桨驱动:直驱,顺时针转动(面对螺旋桨)
螺旋桨桨毂:适用可变螺距螺旋桨
重量:86 kg(含附件)
燃油消耗量:节气门全开 255 g/kWh
节气门半开240g/kWh
EASA认证号:E.084(CS 22-H)
林巴赫DL2900DZ-164KW(220HP)
四冲程,四缸,水平对置水冷发动机,电子燃油喷射和双重点火系统,自动高海拔补偿,干式油底壳可选
最大功率:164kW(220HP)/3000rpm
最大连续功率:147kw(200HP)/2800rpm
起飞功率高度:4500m
连续功率高度:6000m
排量:2900cm³
压缩比:8:1
点火系统:电子控制
火花塞:TBA
电极间隙:TBA
点火次序:1-3-2-4
点火正时:可变,脉谱图控制
燃料:95号(无铅)汽油或100LL航空汽油
空气滤清:LIMBACH
机油温度:90-120摄氏度
机油容量:3.5L(发动机内)
冷却剂量:根据散热需求
转速计驱动:电信号直驱
螺旋桨驱动:顺时针转动(面对螺旋桨)
螺旋桨桨毂:适用可变螺距螺旋桨
净重(约):116kg含附件
耗油率(平均约):节气门全开255g/kWh、节气门半开240g/kwh
相关资讯
更多- 智赋低空 训推一体——卓翼灵眸训推一体化平台V1.0全新发布
- 这防水无人机,为什么比普通的要重?——简单问题背后,藏着看不见的投入
- 无人机电调瞬间大电流下,针对电容引脚/导针过热烧断现象:永铭铝电解电容LKF/LKM应用解决方案
- 华科尔 WK-M60 大重载动力套装,工业级多旋翼的硬核动力
- 新品发布 | Raefly CP900 多旋翼飞行平台
- 异能无人机专业数智化建设方案
- 以技攻坚,日夜鏖战破难关!SUNNY-T2000首飞背后的硬核实力
- FR01飞行救生圈-做生命“摆渡者”
- 重磅发布!容祺智能MAX320第三版优化升级:重构工业级大载重无人机作业新范式
- 迭代升级 | Pixhawk V6X V2 焕新登场!









































