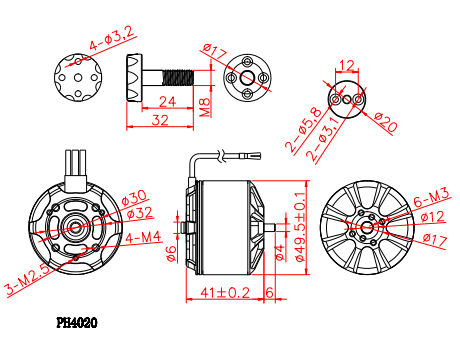
PH4020
品牌:豹子
产品详情
产品参数
产品图片
| PH4020 系列 | |||||||||||||
| 马达外径:---------- | Φ49.5mm×41mm | 硅钢尺寸:------------------ | Φ40x20mm | ||||||||||
| 硅钢结构:---------- | 12N14P | 重量:---------------------- | 285g | ||||||||||
| 型号 | KV值 |
空载 电流 (14.8V) |
负载浆叶 |
测试电压 (V) (全油门) |
工作 电流 (A) |
负载 转速 (RPM) |
拉力 (g) |
输出 功率 (W) |
力效 (g/w) |
内阻 (Ω) |
最大 电流 (持续) |
最大 电压 (锂电) |
最大 功率 (持 续) |
| 8T | 470 | 1.4A | 16*6/CF | 14.8 | 27.8 | 5560 | 2690 | 411 | 6.54 | 0.044 | 53A | 4-8S | 1550W |
| 16.8 | 33.8 | 6160 | 3312 | 568 | 5.83 | ||||||||
| 18.5 | 39.1 | 6630 | 3890 | 723 | 5.38 | ||||||||
| 21 | 47 | 7290 | 4710 | 987 | 4.77 | ||||||||
| 22.2 | 51.3 | 7560 | 5130 | 1139 | 4.50 | ||||||||
| 17*5.8/CF | 14.8 | 27.9 | 5560 | 2740 | 413 | 6.64 | |||||||
| 16.8 | 34 | 6140 | 3370 | 571 | 5.90 | ||||||||
| 18.5 | 39.4 | 6600 | 3930 | 729 | 5.39 | ||||||||
| 21 | 47.8 | 7260 | 4790 | 1004 | 4.77 | ||||||||
| 22.2 | 52.4 | 7550 | 5244 | 1163 | 4.51 | ||||||||
| 15*5/CF | 14.8 | 18.6 | 6040 | 2060 | 275 | 7.48 | |||||||
| 16.8 | 22.8 | 6720 | 2560 | 383 | 6.68 | ||||||||
| 18.5 | 26.8 | 7285 | 3030 | 496 | 6.11 | ||||||||
| 21 | 32.8 | 8090 | 3770 | 689 | 5.47 | ||||||||
| 22.2 | 35.9 | 8450 | 4140 | 797 | 5.19 | ||||||||
| 25.2 | 43.9 | 9340 | 4950 | 1106 | 4.47 | ||||||||
| 9T | 410 | 1.2A | 16*6/CF | 14.8 | 21.6 | 5200 | 2340 | 320 | 7.32 | 0.049 | 48A | 4-8S | 1400W |
| 16.8 | 26.4 | 5770 | 2890 | 444 | 6.52 | ||||||||
| 18.5 | 30.7 | 6210 | 3370 | 568 | 5.93 | ||||||||
| 21 | 36.2 | 6870 | 4170 | 760 | 5.49 | ||||||||
| 22.2 | 39.5 | 7170 | 4600 | 877 | 5.25 | ||||||||
| 25.2 | 48.8 | 7870 | 5560 | 1230 | 4.52 | ||||||||
| 17*5.8/CF | 14.8 | 21.1 | 5180 | 2366 | 312 | 7.58 | |||||||
| 16.8 | 25.8 | 5750 | 3010 | 433 | 6.94 | ||||||||
| 18.5 | 30 | 6210 | 3523 | 555 | 6.35 | ||||||||
| 21 | 36.7 | 6850 | 4130 | 771 | 5.36 | ||||||||
| 22.2 | 40 | 7135 | 4530 | 888 | 5.10 | ||||||||
| 25.2 | 49.5 | 7820 | 5680 | 1247 | 4.55 | ||||||||
| 15*5/CF | 14.8 | 14.2 | 5560 | 1695 | 210 | 8.07 | |||||||
| 16.8 | 17.6 | 6220 | 2133 | 296 | 7.21 | ||||||||
| 18.5 | 20.6 | 6750 | 2510 | 381 | 6.59 | ||||||||
| 21 | 25.4 | 7515 | 3130 | 533 | 5.87 | ||||||||
| 22.2 | 27.9 | 7880 | 3470 | 619 | 5.60 | ||||||||
| 25.2 | 34.4 | 8740 | 4280 | 867 | 4.94 | ||||||||




