产品详情
产品参数
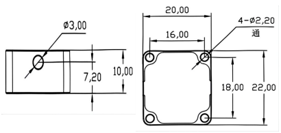
产品图片
产品介绍:HG-105 MEMS小型化惯性测量模块内置三轴陀螺,三轴加速度计,可以测量载体的角速率、加速度、温度等信息。模块的内部对每个轴的零偏和标度进行温度补偿,同时对两两轴向间的交叉耦合也进行补偿,提高了测量精度。其中,纵轴选用高精度国产化大量程加速度计,可以保证高动态条件下的导航精度。
产品特点:1.全温补偿; 2.国产化设计; 3.单轴大量程加计; 4.抗振动冲击能力强;5.数据更新率100Hz~1000Hz; 6.波特率可配,最高到921.6bps;7.具备软件在线升级功能。
指标参数
陀螺仪性能参数:
量程(°/s) 500
全温零位(°/s) 0.1
零偏稳定性(°/h,10s平滑) <10
零偏重复性(°/h) <10
标度因数非线性(ppm) <300
带宽(Hz) 230
加速度计性能参数:
量程(g) 24
全温零位(mg) 10
零偏稳定性(mg,1σ,10s平滑) <0.5
零偏重复性(mg,1σ) <0.5
标度因数非线性(ppm) <500
带宽(Hz) 1000
系统参数:
工作温度(℃) -40~+80
功耗(mW) <800
启动时间(s) <2
数据更新率(Hz) 200(可调)
重量(g) <20
外形尺寸(mm) 22x20x10
接口定义
HG-105 MEMS小型化惯性测量模块对外输出,采用J30JZ/XN15TJCAL01连接器,甩线长150mm。
结构安装
![]()