产品详情
产品参数
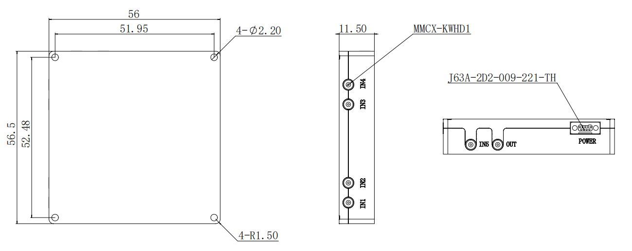
产品图片
产品介绍:ZHJM3206是公司采用FPGA实现的完全自主知识产权的小型化四阵列卫星导航阵列抗干扰组件,尺寸仅有56.5mm×56mm×11.5mm,支持B3频点或B1L1频点四阵列宽带抗干扰功能,且B3频点或B1L1频点最大抗宽带干扰个数为3,可抑制B3或B1L1频段的谐波、扫频、脉冲、调频、调相等多种宽带、窄带等压制式干扰。 ZHJM3206采用全屏蔽结构设计,广泛适用于机载、D载等复杂电磁环境的集成应用。
产品特点:1.功耗低、重量轻、体积小;2.功能全、性能高。
产品全称:ZH-JM3206 小型化四阵列抗干扰组件
性能指标:
抗干扰频点: BDS-B3
BDS-B1/GPS-L1/GALILEO-E1
抗干扰能力: B3: 单干≥100dB 三干≥90dB
B1/L1/E1:单干≥100dB 三干≥90dB
射频输出功率: -70±5dBm
电气特性:
输入电压: DC 5V±0.5V
天线馈电输出: DC 5V±0.5V
平均功耗: 7.0W
电气特性:
输入电压: DC 5V±0.5V
平均功耗: 7.0W
物理特性:
供电接口: J63A-2D2-009-221-TH
射频接口: MMCX-KWHD
尺寸: 56.5×56×11.5mm
重量: ≤70g
工作温度: -40~65℃
贮存温度: -55~75℃
射频接口
序号 | 管脚 | 功能 | 备注 |
1 | 抗干扰输入1 | B3或B1L1输入1 | 5V馈电输出 |
2 | 抗干扰输入2 | B3或B1L1输入2 | 5V馈电输出 |
3 | 抗干扰输入3 | B3或B1L1输入3 | 5V馈电输出 |
4 | 抗干扰输入4 | B3或B1L1输入4 | 5V馈电输出 |
5 | 非抗干扰输入 | B1L1或B3 | 5V馈电输出 |
6 | RF-OUT | 输出射频信号功率:(-70±5)dBm | 合路输出 |
供电和通信接口
管脚号 | 定义 | 备注 |
1/2/3 | VCC | 电源输入(+5V±0.5V) |
4 | 保留 | 保留 |
5 | RS232-RX | 串口输入 |
6 | RS232-TX | 串口输出 |
7/8/9 | GND | 地 |
结构安装
![image.png]()