产品详情

  • 北天监测精密农业GNSS北斗双天线高精度RTK厘米级接收机BT-200B

北天监测精密农业GNSS北斗双天线高精度RTK厘米级接收机BT-200B

品牌:Beitian

  • 深圳市北天通讯有限公司

    普通商家
  • 经营模式:零部件制造商 其他 
  • 地区:中国广东省深圳市
  • 地址:深圳市龙华区福城街道福民社区狮径路15号福城数字创新园5期1栋8、9层

产品详情

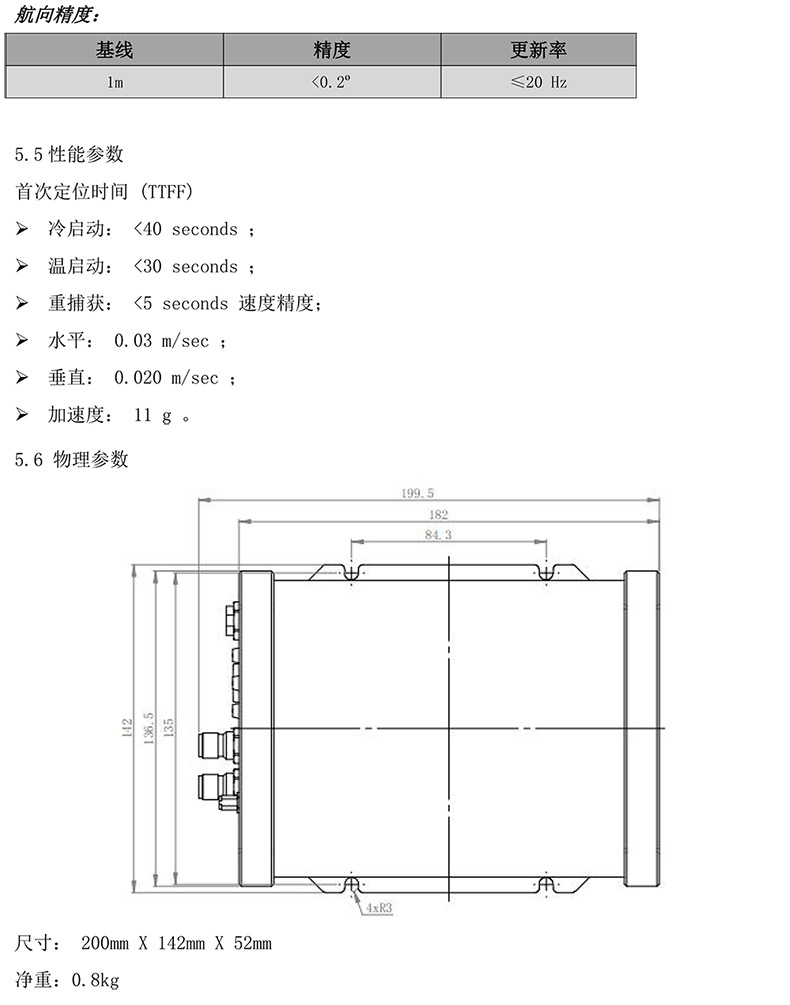
产品参数

产品图片

















取消