2019新品 | 翔仪•明珠系列飞控新品发布
转载 2019-01-04 10:08 明珠飞控 来源:翔仪飞控

★产品介绍★
明珠飞控MZ-100/MZ-400/MZ-600是专为小型固定翼无人机、小型垂直起降无人机、小型倾转垂直起降无人机打造的小体积、高可靠、低成本导航测量与飞行控制设备,配备了数传链路、惯性导航、卫星导航及多传感器信息融合导航系统,支持灵活的起降方式及人性化的交互界面。
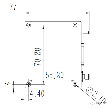
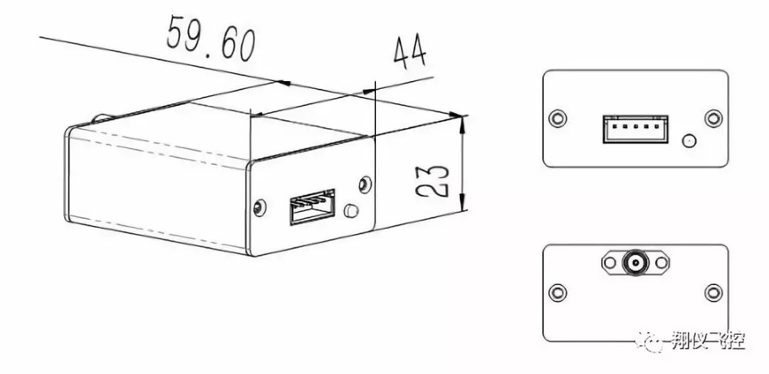
★尺寸重量★


明珠飞控:110克

机载端电台:60克

地面端电台:80克
★功能特点★
导航与飞控设备集成工业级传感器,并经过严格的环境适应性筛选。
飞控系统采用ARM+DSP双CPU结构,具备强大的运算能力和存储能力,具有高可靠、低功耗特点。
系统在-20~+60℃ 下稳定工作,传感器在-20~+60℃范围内温度补偿,并采用一致渐进收敛的非线性自适应卡尔曼滤波算法进行数据处理。
飞控系统核心算法采用强鲁棒、强跟踪非线性自适应控制算法,内环以角速率+姿态多尺度融合控制为主,确保飞行稳定;外环采用3维位置+速度耦合嵌套控制,保证飞行品质,具备高精度的航迹控制。
飞控系统支持遥控、增稳、全自主三种飞行模式。
多重应急安全保护机制,包括低电压保护、链路中断保护、姿态异常保护、高度异常保护、动力异常保护等。
地面站软件支持多种任务航线快速规划,内置Google Map、Bing Map等电子地图,具备语音播报等功能。
★地面站软件★
地面站软件UI界面简洁,美观大方,功能全面,简单易操作

支持非规则测区任务航线自动规划

支持多测区任务航线规划

支持带状任务航线规划

支持KML文件导入并自动生成航测任务航线

支持电力巡线、油气管道巡线等任务航线自动规划

支持任务航线三维显示

支持遥测数据记录、回放与分析

完善的起飞检查流程

★技术指标★

★行业应用★

航空测绘

电力巡检

石油管道巡检

安防监控
★装箱清单★
MZ-100/MZ-400/MZ-600 飞控1台
MZ-Datalink 数传链路1对
卫星导航GPS天线1根
数传玻璃钢天线1根
J30J-51针航空插头1对
★联系我们★
吴先生:137 0122 3281

赵先生:170 9256 5522

相关资讯
更多- 火热报名!东莞无人机驾驶员(3-5级)职业技能等级证书,享补贴
- 教育观察③ | “新课标”引领课程转型:科技兴趣班从 “育分” 到 “育人” 的破局之路
- 教育观察② | “馆校协同”打通育人边界,凝聚育人合力
- 杭州氧气音乐节上演硬核场景:无人机“空投”补给,智翔航空为乐迷送去“及时雨”
- 【活动掠影】无人机科技点燃蓝天梦想!
- 活塞航空发动机:低空经济高质量发展的重要动力源
- 适应宁波低空行业新发展,垂起固定翼CAAC执照在这也能考!
- 2025年11、12月全种类无人机驾驶员执照(中国民航CAAC、中国航协ASFC)培训招生
- 1200架无人机在乌鲁木齐夜空“告白”!
- 天翼科技亮相全国第一批低空经济微专业教师培训班,以数智化平台赋能教育创新